Профессиональный строительный инструмент и оборудование
Каталог инструментов
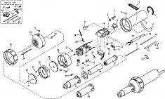
Сварочный термофен Leister Triac S
Модель снята с производства! Сварочный термофен Leister Triac S (Ляйстер Триак С) – надежный, недорогой, отлично зарекомендовавший себя, многоцелевой ручной аппарат горячего воздуха со встроенной подачей воздуха и плавной регулировкой температуры для сварки полимерных листов, труб, пленок, кровельных и гидроизолирующих покрытий, технической ПВХ-ткани, пластмассовых деталей, напольных покрытий (сварка прутком, сварка внахлест, сварка плавлением); для усадки термоусадочных трубок, муфт и пленок; для процессов нагрева и сушки.
Производитель: LEISTER (ЛЯЙСТЕР) – Швейцария.
Преимущества сварочного термофена Leister Triac S:
- Охлаждаемая защитная трубка
- Электронная защита нагревательного элемента
- Автоматическое отключение двигателя по достижении щетками минимальных размеров
- Возможна многократная замена щеток
- Подходит для длительной эксплуатации
- Очень удобен в использовании, незаменим при проведении широкого спектра работ
| Изображение | Артикул | Наименование |
| 107.123 | Щелевая насадка 20 мм, насаживаемая | |
| 105.487 | Щелевая насадка 20 мм, изогнутая, насаживаемая | |
| 107.132 | Щелевая насадка, насаживаемая 40 мм | |
| 107.130 | Щелевая насадка, насаживаемая 40 мм, 60° изогнутая | |
| 107.133 | Щелевая насадка, насаживаемая 40 мм, с отверстиями | |
| 128.535 | Щелевая насадка, насаживаемая 30 мм, 45° изогнутая | |
| 107.124 | Угловая щелевая насадка 20 мм, 90° для сварки внахлест | |
| 107.125 | Щелевая насадка 20 мм, 60° изогнутая правая | |
| 105.503 | Щелевая насадка 20 мм, 60° изогнутая левая | |
| 105.492 | Щелевая насадка 20 мм, прямой носик, 120° загнутая | |
| 107.129 | Широкая щелевая насадка 60 мм для сварки внахлест битумных покрытий, насаживаемая | |
| 107.131 | Широкая щелевая насадка 80 мм, насаживаемая | |
| 100.303 | Стандартная насадка ∅ 5 мм, насаживаемая | |
| 105.578 | Усиленная стандартная насадка ∅ 5 мм, насаживаемая | |
| 106.992 | Насадка быстрой сварки для профильного прутка 5,7 мм, профиль A, насаживается на стандартную насадку ∅ 5 мм | |
| 106.993 | Насадка быстрой сварки для профильного прутка 7 мм, профиль B, насаживается на стандартную насадку ∅ 5 мм | |
| 106.989 | Насадка быстрой сварки для круглого прутка ∅ 3 мм, насаживается на стандартную насадку ∅ 5 мм | |
| 106.990 | Насадка быстрой сварки для круглого прутка ∅ 4 мм, насаживается на стандартную насадку ∅ 5 мм | |
| 106.991 | Насадка быстрой сварки для круглого прутка ∅ 5 мм, насаживается на стандартную насадку ∅ 5 мм | |
| 106.996 | Насадка для прихватки, насаживается на трубную насадку 5 мм | |
| 107.137 | Насадка быстрой сварки прутком 8 мм, насаживается на стандартную насадку ∅ 5 мм | |
| 107.139 | Насадка 4,5 × 12 мм для наварки профиля в углах при укладке линолеума, насаживается на стандартную насадку ∅ 5 мм | |
| 106.982 | Удлиненная насадка ∅ 5 мм, 150 мм | |
| 105.431 | Насадка быстрой сварки 3 мм, с зауженным выходом, насаживается на стандартную насадку ∅ 5 мм | |
| 105.432 | Насадка быстрой сварки 4 мм, с зауженным выходом, насаживается на стандартную насадку ∅ 5 мм | |
| 105.433 | Насадка быстрой сварки 5 мм, с зауженным выходом, насаживается на стандартную насадку ∅ 5 мм | |
| 105.622 | Стандартная насадка ∅ 5 мм, навинчиваемая | |
| 106.988 | Насадка для прихватки, навинчиваемая | |
| 113.666 | Насадка для быстрой сварки ∅ 3 мм с клином, навинчиваемая | |
| 113.399 | Насадка для быстрой сварки ∅ 4 мм с клином, навинчиваемая | |
| 113.876 | Насадка для быстрой сварки ∅ 3 мм без клина, навинчиваемая | |
| 113.874 | Насадка для быстрой сварки ∅ 4 мм без клина, навинчиваемая | |
| 113.670 | Насадка для сварки, треугольная, с прихваточным клином, навинчиваемая, 5,7 мм | |
| 113.877 | Насадка для сварки, треугольная, без прихваточного клина, навинчиваемая, 5,7 мм, профиль А | |
| 106.986 | Насадка для сварки, круглая, без прихваточного клина, навинчиваемая, ∅ 7 мм, профиль В | |
| 106.987 | Насадка для сварки, треугольная, без прихваточного клина, навинчиваемая, 7 × 5,5 мм | |
| 126.552 | Насадка для сварки 4 мм, навинчиваемая, для фторопластов | |
| 107.324 | Решетчатая рефлекторная насадка для усадки 12 × 10 мм, насаживается на стандартную насадку ∅ 5 мм | |
| 107.337 | Решетчатая рефлекторная насадка 50 × 35 мм, насаживаемая | |
| 107.338 | Решетчатая рефлекторная насадка 35 × 20 мм, насаживаемая | |
| 107.326 | П-образная рефлекторная насадка 25 × 150 мм для равномерной усадки трубок из ПВХ и ПЭ, насаживаемая | |
| 107.307 | Ложковая рефлекторная насадка 27 × 35 мм, насаживаемая | |
| 107.339 | Ложковая рефлекторная насадка 17 × 34 мм, насаживаемая | |
| 140.160 | Прикаточный ролик 40 мм, на шарикоподшипнике (силиконовый) | |
| 140.161 | Прикаточный ролик 28 мм, на шарикоподшипнике (силиконовый) | |
| 106.974 | Прикаточный ролик 80 мм (силиконовый) | |
| 106.972 | Прикаточный ролик из латуни на подшипниках | |
| 106.976 | Прикаточный ролик из 28 мм (ПТФЕ) | |
| 106.981 | Профилированный прикаточный ролик для наварки таможенной ленты | |
| 106.980 | Прикаточный ролик для наварки полос шириной до 40 мм | |
| 107.344 | Зеркальная насадка 135 мм, насаживаемая | |
| 107.348 | Подставка для аппарата | |
| 106.997 | Торцовая фреза ∅ 6 мм | |
| 100.689 | Hагревательный элемент, 230 В, 1550 Вт |
Цена и технические характеристики сварочного термофена Leister Triac S:
Технический паяльный фен
-
Желобонакатчик для грувлок гидравлический GruvMaster RG-1 (1-6)Диаметр труб: 1" - 6" (8")Мощность: 0,8 кВтЦена: 180 000 руб.
-
Алмазные коронки по железобетону Kern Diamond Bit Concrete Premium 250 ммДиаметр: 250 ммРабочая длина: 450 ммЦена: 36 400 руб.
-
Алмазная коронка для сухого бурения с микроударом Адель Diamond Hit DH-D400 28 ммДиаметр: 28 ммРабочая длина: 450 ммЦена: 4 600 руб.
-
Алмазная коронка для сухого бурения с микроударом Адель Diamond Hit DH-D400 46 ммДиаметр: 46 ммРабочая длина: 450 ммЦена: 5 500 руб.
-
Алмазная коронка для сухого бурения с микроударом Адель Diamond Hit DH-D400 52 ммДиаметр: 52 ммРабочая длина: 450 ммЦена: 6 200 руб.
-
Алмазная коронка для сухого бурения с микроударом Адель Diamond Hit DH-D400 76 ммДиаметр: 76 ммРабочая длина: 450 ммЦена: 8 600 руб.
-
Алмазная коронка для сухого бурения с микроударом Адель Diamond Hit DH-D400 82 ммДиаметр: 82 ммРабочая длина: 450 ммЦена: 9 300 руб.
-
Одинарная роликовая насадка для трубных опор Remmers Atlant 1/8-12, 2 шт.Диаметр открытой части ролика: 18 ммВес: 1,03 кгЦена: 3 200 руб.
Новости
-
26.11.2025Новые поступления для серьёзной работы: спираль и адаптер от Crocodile
-
21.11.2024Поступление желобонакатчиков GruvMaster - Новинка на Российском рынке!
-
27.12.2023С новым 2024 годом!
-
20.12.2022Режим работы в Новогодние праздники
-
12.10.2022ФСБ сообщила о попытке теракта с ПЗРК «Игла» в Подмосковье








Отзывы
Оставьте Ваш отзыв